神钢电机株式会社 SHINKO

 
  首 页 | 神钢SHINKO介绍 | 神钢SHINKO 产品 | 联系我们 |        
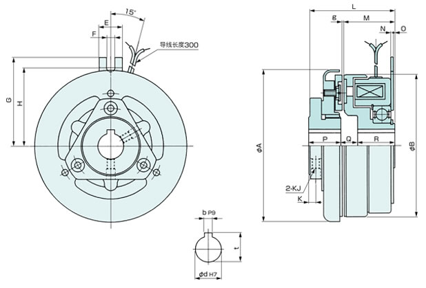
突合轴型离合器 JCC-2.5  

 



泽鹏科技销售电话:021-67757169手机:17821719638E-mail:zepengtech@163.comQQ:3223914812SHINKO
上海市新镇路32弄7号-550E室精密调压阀|调压阀|办事处:|美国|日本|济南|电气转换器|流量放大器|平衡阀|继动器|神钢电机|AR-250
日本神钢电机|臂式制动器|AR用连接器|2A-11|14J/4A-19|24J/5A-28J/8A-38|42J|调整壁型制动器组合|华纳离合器制动器|
神钢离合器